Alberto Luis Farina | Universidad Tecnológica Nacional | www.ingenierofarina.com.ar
A partir de una idea o una necesidad concreta, se llevan adelante los distintos tipos de obras, pero estos son los extremos de un camino. En el medio, se necesita llevar a cabo muchas acciones y la disponibilidad de recursos de índole muy variada. Una parte de todo esto es la realización del diseño, proyecto y cálculo propiamente dicho, el cual requiere, según se trate, de la participación de las diferentes ramas de la ingeniería, entre las que se encuentra la eléctrica, la cual a su vez comprende especialidades como iluminación, control, comunicaciones, etc.
Durante los últimos años, se observa una tendencia a la unificación de la norma de símbolos de IRAM con los elaborados por IEC.
Ingeniería
El conjunto de los trabajos de anteproyecto, diseño, proyecto, cálculo, supervisión, y otras distintas elaboraciones como manuales, instructivos, puesta en marcha y puesta en servicio o producción, constituye la denominada “Ingeniería”, la cual a su vez comprende la “básica”, “de detalle” y “de obra”.
Para la realización de todo el ciclo de la elaboración de estas ingenierías, es necesario confeccionar documentos de carácter muy diverso, los cuales responden también a ciertas tipologías establecidas. En forma global, se los denomina como “Elaborados técnicos”.
En lo que sigue, se abordarán las representaciones que se emplean en la ingeniería eléctrica en sus distintas fases para la ejecución de una obra.
Para la realización de todo el ciclo de la elaboración de estas ingenierías, es necesario confeccionar documentos de carácter muy diverso, los cuales responden también a ciertas tipologías establecidas. En forma global, se los denomina como “Elaborados técnicos”.
En lo que sigue, se abordarán las representaciones que se emplean en la ingeniería eléctrica en sus distintas fases para la ejecución de una obra.
Planos
La confección de los documentos técnicos utilizados en la ingeniería eléctrica requiere de una técnica que, como cualquier otra actividad ingenieril, tiene sus particularidades.
Los más utilizados son los “Planos”, aunque no son los únicos. En sus distintos tipos, su ejecución requiere de normas de dibujo convencionales para representar las disposiciones de los elementos físicos (transformadores, interruptores, etc.), pero también de símbolos y nomenclaturas cuando se trata de representar los circuitos, tanto sean los de fuerza motriz, como los de control. Se debe señalar que, cuando se trata de estos últimos, se requiere de una técnica más depurada y rigurosa.
Los más utilizados son los “Planos”, aunque no son los únicos. En sus distintos tipos, su ejecución requiere de normas de dibujo convencionales para representar las disposiciones de los elementos físicos (transformadores, interruptores, etc.), pero también de símbolos y nomenclaturas cuando se trata de representar los circuitos, tanto sean los de fuerza motriz, como los de control. Se debe señalar que, cuando se trata de estos últimos, se requiere de una técnica más depurada y rigurosa.
Para dibujar los distintos circuitos eléctricos, se utilizan símbolos, los cuales se complementan con letras y números para identificar los elementos y las funciones que realizan los distintos componentes representados.
El dibujo en general
El dibujo es el idioma que permite la comunicación entre los integrantes del mundo técnico, y es universal, en consecuencia, debe ser preciso y sus expresiones, inequívocas.
El dibujo que se emplea para estas representaciones gráficas no solo se debe hacer con precisión, sino también con un alto grado de minuciosidad porque, de no ser así, no se podrían materializar en la práctica los complejos circuitos de los sistemas de control.
Se debe tener en cuenta que, para su ejecución, se utilizan símbolos y nomenclaturas, los cuales no siempre guardan relación con el aspecto físico del elemento o aparato representado.
El dibujo que se emplea para estas representaciones gráficas no solo se debe hacer con precisión, sino también con un alto grado de minuciosidad porque, de no ser así, no se podrían materializar en la práctica los complejos circuitos de los sistemas de control.
Se debe tener en cuenta que, para su ejecución, se utilizan símbolos y nomenclaturas, los cuales no siempre guardan relación con el aspecto físico del elemento o aparato representado.
Normas
Los símbolos que se emplean en la ejecución de los planos utilizados en el ámbito de las instalaciones eléctricas son dibujos que representan convencionalmente los distintos elementos componentes. Estas representaciones pueden ser funcionales, según el caso.
En nuestro país, el Instituto Argentino de Normalización y Acreditación (IRAM) es el órgano oficial que emite las normas de dibujo; las cuales se complementan con las de las normas de la Comisión Electrotécnica Internacional (IEC).
Existen otras de verdadera importancia como lo son las emitidas, entre otros, por el Instituto de Ingenieros Eléctricos y Electrónicos (IEEE), por el Instituto Estadounidense de Estandarización (ANSI) o el Instituto de Normalización (DIN) de Alemania.
Durante los últimos años, se observa una tendencia a la unificación de la norma de símbolos de IRAM con los elaborados por IEC.
Es preciso señalar que, en ciertas empresas, hay normas internas sobre simbología propia.
Las normas mencionadas precedentemente también establecen los tamaños de las hojas en las cuales se muestran los distintos elaborados técnicos. Tema que se verá más adelante.
En nuestro país, el Instituto Argentino de Normalización y Acreditación (IRAM) es el órgano oficial que emite las normas de dibujo; las cuales se complementan con las de las normas de la Comisión Electrotécnica Internacional (IEC).
Existen otras de verdadera importancia como lo son las emitidas, entre otros, por el Instituto de Ingenieros Eléctricos y Electrónicos (IEEE), por el Instituto Estadounidense de Estandarización (ANSI) o el Instituto de Normalización (DIN) de Alemania.
Durante los últimos años, se observa una tendencia a la unificación de la norma de símbolos de IRAM con los elaborados por IEC.
Es preciso señalar que, en ciertas empresas, hay normas internas sobre simbología propia.
Las normas mencionadas precedentemente también establecen los tamaños de las hojas en las cuales se muestran los distintos elaborados técnicos. Tema que se verá más adelante.
Símbolos
A continuación, se listan algunas de las tablas publicadas por las distintas normas que contienen las simbologías normalizadas más comúnmente utilizadas:
- Símbolos utilizados para las instalaciones eléctricas del tipo domiciliarias (IRAM)
- Simbología de la interrupción y de la interrupción-protección
- Simbología de los circuitos de control
- Simbología de las máquinas eléctricas
Nomenclatura
Para dibujar los distintos circuitos eléctricos, se utilizan símbolos, los cuales se complementan con letras y números para identificar los elementos y las funciones que realizan los distintos componentes representados.
La cantidad de elementos y funciones de los símbolos son bastante amplias, y comprenden casi todos los tipos de instalación eléctrica y circuitos de control. A continuación se listan algunas de las listas de nomenclaturas más comúnmente utilizadas:
La cantidad de elementos y funciones de los símbolos son bastante amplias, y comprenden casi todos los tipos de instalación eléctrica y circuitos de control. A continuación se listan algunas de las listas de nomenclaturas más comúnmente utilizadas:
- Letras asociadas a los distintos dispositivos según las normas DIN
- Letras asociadas a distintos dispositivos según las normas ANSI
- Letras que indican el medio, condición o la magnitud eléctrica a la cual responde el dispositivo
- Letras que indican la posición en el circuito del dispositivo principal
- Cantidad y funciones de los distintos dispositivos
- Colores para los indicadores luminosos
- Colores de los pulsadores
Circuitos eléctricos
Los circuitos de los sistemas eléctricos son su esencia, aunque no los únicos, y en general se recurre a otras representaciones que les dan origen, o bien, los complementan.
Esquema de principio
Se suele utilizar el esquema de principio cuando comienza el proyecto. Es un esquema formado por bloques que representan los distintos componentes y sus interrelaciones tales como las alimentaciones, control, enclavamientos, etc. Es solo esquemático y resulta de ayuda cuando hay que interactuar con otras disciplinas, por ejemplo, mecánica, civil, etc.
Circuitos unifilares
La llamada “representación unifilar”, o como corrientemente se dice: “Unifilar”, requiere que se reconozca su debida importancia, en virtud de que se emplea mucho. Su forma simplificada permite tomar conocimiento de los circuitos de la instalación eléctrica muy rápidamente y en forma global (ver figura 1), lo cual en determinado momento puede constituir una introducción al tema o bien aportar la primera idea sobre la constitución de la instalación eléctrica, requisito siempre recomendable para quien debe trabajar en ella y cuando se trata de resolver un problema. En general, permite determinar dónde se encuentra algún problema muy rápidamente.
El inicio de un nuevo proyecto o el análisis funcional de una instalación eléctrica existente comienzan inexorablemente con un diagrama unifilar.
Este tipo de representación es la preferida para el estudio de la instalación eléctrica en su conjunto, ya que cada trazo representa todos los conductores o cables, y facilita el seguimiento de los caminos de la energía eléctrica, tanto como entender las operaciones posibles, todo lo cual favorece las maniobras que se deben ejecutar con los diversos componentes.
El circuito unifilar se desarrolla haciendo trazos representativos de las conducciones donde están insertos los elementos de maniobra, protección y medición necesarios de acuerdo al tipo y aplicación que se trate.
Los trazos representativos de los cables llevan, a su vez, otros pequeños cruzados que indican la cantidad de cables o conductores que los componen.
Esta representación comprende a los distintos tipos de tableros, con sus respectivas alimentaciones.
El esquema unifilar es una representación gráfica esquemática la cual contiene una serie importante de datos expresados con letras y números en los distintos elementos, tales como los siguientes:
- En las barras: tensiones, cantidad, corriente nominal y de cortocircuito disponible
- En interruptores: corriente nominal, de cortocircuito admisible, regulación de las protecciones
- En cables: sección, corriente eléctrica de cálculo, material, longitud
- Enclavamientos: eléctricos y mecánicos, etc.
- Planos: números de planos complementarios como multifilares, funcionales, etc.
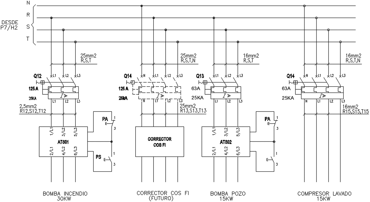
Circuitos multifilares
Con el nombre de “Representación multifilar” se denomina a los circuitos tri- o tetrafilares, según estos tengan tres o cuatro conductores o cables, respectivamente.
En estas representaciones aparecen todos los conductores o cables de los diversos circuitos, por lo que son adecuadas para servir a los planos de detalle y conexionado utilizados para el montaje.
Habitualmente, se comienza a delinear la instalación eléctrica mediante un esquema elemental, el cual luego de las distintas consideraciones referidas a las maniobras, sistema de protección, etc. se irá transformado en el unifilar definitivo, el cual a su vez dará origen al circuito multifilar (trifilar o tetrafilar, según se trate). Este último incorpora más detalles y las principales características de los componentes.
Ambas representaciones son necesarias en el desarrollo de un proyecto y posterior ejecución de la obra correspondiente.
Para comprender mejor el uso de estos esquemas, emplearemos el dibujo de las figuras 2 y 3. Allí se presentan circuitos tetra- y trifilares con diversos tipos de aparatos de maniobra y protección.
En estas representaciones aparecen todos los conductores o cables de los diversos circuitos, por lo que son adecuadas para servir a los planos de detalle y conexionado utilizados para el montaje.
Habitualmente, se comienza a delinear la instalación eléctrica mediante un esquema elemental, el cual luego de las distintas consideraciones referidas a las maniobras, sistema de protección, etc. se irá transformado en el unifilar definitivo, el cual a su vez dará origen al circuito multifilar (trifilar o tetrafilar, según se trate). Este último incorpora más detalles y las principales características de los componentes.
Ambas representaciones son necesarias en el desarrollo de un proyecto y posterior ejecución de la obra correspondiente.
Para comprender mejor el uso de estos esquemas, emplearemos el dibujo de las figuras 2 y 3. Allí se presentan circuitos tetra- y trifilares con diversos tipos de aparatos de maniobra y protección.
El inicio de un nuevo proyecto o el análisis funcional de una instalación eléctrica existente comienzan inexorablemente con un diagrama unifilar.
Circuito funcional
En la figura 4 se representa parte de un circuito funcional, o sea, es el tipo de circuito eléctrico que permite saber cómo funciona este, a través de los distintos elementos componentes representados mediante los símbolos correspondientes.
Elaborados técnicos específicos
Existe variedad de elaborados técnicos que se aplican en las instalaciones eléctricas que escapan a los circuitos mencionados más arriba, que representan otros aspectos del proyecto, y que se utilizan fundamentalmente en las distintas etapas de la obra.
Planos
- Planos con la representación de las disposiciones generales o particulares de los distintos componentes de las instalaciones eléctricas en los locales de los edificios (“lay out”) o en las estaciones y subestaciones transformadoras.
- Planos de las canalizaciones eléctricas, en donde se muestran los distintos tipos y sus trazas.
- Planos de típicos de conexionado o montaje. Existen típicos generales para determinadas disposiciones de canalizaciones o circuitos, y otros que se hacen para un determinado tipo de obra.
- Planos con las disposiciones de las cajas de conexiones en campo, con las borneras de los distintos equipos y sus respectivas acometidas.
- Planos de interconexiones entre los distintos equipos, tableros eléctricos, cajas de pulsadores, pupitres, etc.
Documentos técnicos
Se entiende como “Documento técnico” o “Documento” a los elaborados técnicos que no necesariamente son dibujos, aunque puedan contener algún esquema, en donde se describen acciones o se enumeran elementos. Los siguientes son documentos técnicos:
- Memoria de cálculo (MC)
- Lista de material (LM)
- Diagramas lógicos (DL)
- Diagramas de proceso (DP)
- Diagramas P & D (procesos e instrumentos)
- Especificación técnica de equipos o para la ejecución de trabajos (SP)
- Listas de caños, bandejas portacables o conductos
- Lista de cables
- Lista de equipos
- Croquis (SK)
- Diagramas de Gantt o de camino crítico
- Manual de instrucciones
- “Punch list”
- “Commissioning”. Verificaciones del cumplimiento del proyecto y pruebas finales
- Actas de seguimientos de fabricación o de recepción
- Etc.
Entre paréntesis se indican las letras más comúnmente empleadas que, junto a los números, se utiliza para su identificación. Por ejemplo: LM 2333, SP 2333, etc.
Ejecución
La ejecución de los elaborados técnicos está estrechamente vinculada a la informática, para lo cual se utilizan diversos softwares, así como distintos hardwares que permiten la impresión de textos y planos. Solo algunas pocas prescinden de estos recursos, aunque cada vez son menos.
Las distintas ejecuciones de los elaborados técnicos requieren de distintas dimensiones de las hojas de papel. Estas reciben el nombre genérico de “Formato”, y sus medidas están regidas por las normas IRAM, las cuales a su vez están establecidas internacionalmente por IEC.
Para la representación de los circuitos y planillas, se utiliza en general el formato “A3”, cuyas dimensiones son 420 x 297 mm, lo cual no quiere decir que no se pueda utilizar algún otro, por ejemplo, “A1”. Este último formato se utiliza para la representación de tendidos de canalizaciones o “lay out” de, por ejemplo, estaciones y subestaciones transformadoras.
Las distintas ejecuciones de los elaborados técnicos requieren de distintas dimensiones de las hojas de papel. Estas reciben el nombre genérico de “Formato”, y sus medidas están regidas por las normas IRAM, las cuales a su vez están establecidas internacionalmente por IEC.
Para la representación de los circuitos y planillas, se utiliza en general el formato “A3”, cuyas dimensiones son 420 x 297 mm, lo cual no quiere decir que no se pueda utilizar algún otro, por ejemplo, “A1”. Este último formato se utiliza para la representación de tendidos de canalizaciones o “lay out” de, por ejemplo, estaciones y subestaciones transformadoras.
Ejemplo de la utilización de elaborados técnicos
La provisión de los tableros eléctricos es un claro ejemplo de la utilización de distintos elaborados técnicos, cuya aplicación se hace durante las etapas de una provisión.
- Cotización. Para hacer el pedido de las cotizaciones, es necesario un esquema unifilar, en donde se aprecie la alimentación y todas las cargas, así como los elementos de maniobras pretendidos para cada una de ellas, interconexiones con otros tableros eléctricos y, si hubiese condicionamientos, las dimensiones generales deseadas. Junto con el plano, se redacta una especificación técnica, en donde se establecen formas de conexión, requerimientos normalizados, enclavamientos, acometidas, plazos de ejecución, garantías, repuestos, etc.
- Inspecciones. De convenirse, el comprador puede realizar inspecciones durante la fabricación. Estos actos quedan registrados en elaborados técnicos denominados como “Actas de seguimiento de la fabricación”.
- Recepción. Durante el acto de la recepción del tablero eléctrico por parte del comprador, se realizan ensayos eléctricos, mecánicos y funcionales cuyos datos se vuelcan en un “Acta de recepción”. Esta constituye un documento importante porque sirve a la garantía de la provisión, y también se puede considerar como un elaborado técnico.
- Entrega. Junto a la provisión del tablero, se otorga un plano conformado por una determinada cantidad de hojas. En general, se utiliza el formato “A3”. Estas hojas contienen planos del gabinete con las dimensiones, forma de fijación, unifilar, funcional, topográfico y borneras de cada compartimiento, más un listado de los materiales componentes. Por circunstancias funcionales o por requerimiento del comprador, se puede requerir de algún otro tipo de plano.
Palabras finales
En general, las representaciones utilizadas en la ingeniería eléctrica son las mencionadas, pero pueden no ser únicas. Que no lo sean puede obedecer a distintas circunstancias: modalidad del ejecutor de la ingeniería, tipo de obra, modalidad de la ejecución, plazos, o bien, de acuerdo a los detalles constructivos de la obra, se pueden generar otros elaborados técnicos si se considera necesario.
También es necesario señalar que no es necesario ejecutar todos estos tipos de elaborados técnicos en todas las obras, sino los estrictamente necesarios para una correcta ejecución y el mantenimiento posterior.
Las simbologías, así como las nomenclaturas mostradas, corresponden a diversas normas nacionales e internacionales, y no se han referenciado a los fines de simplificar la interpretación de esta presentación.
También es necesario señalar que no es necesario ejecutar todos estos tipos de elaborados técnicos en todas las obras, sino los estrictamente necesarios para una correcta ejecución y el mantenimiento posterior.
Las simbologías, así como las nomenclaturas mostradas, corresponden a diversas normas nacionales e internacionales, y no se han referenciado a los fines de simplificar la interpretación de esta presentación.
Bibliografía
[1] Farina, A. L., Instalaciones eléctricas de viviendas, locales y oficinas, Librería y Editorial Alsina, Rosario
[2] IRAM, Normas
[3] Manual de baja tensión, Publicis MCD Verlang
[4] Seip, G., Instalaciones eléctricas, Siemens
[5] Sobrevila, M. A.; Farina, A. L., Instalaciones eléctricas, Librería y Editorial Alsina, Rosario
[1] Farina, A. L., Instalaciones eléctricas de viviendas, locales y oficinas, Librería y Editorial Alsina, Rosario
[2] IRAM, Normas
[3] Manual de baja tensión, Publicis MCD Verlang
[4] Seip, G., Instalaciones eléctricas, Siemens
[5] Sobrevila, M. A.; Farina, A. L., Instalaciones eléctricas, Librería y Editorial Alsina, Rosario
Autor:
Publicado en:
Número:
Mes:
Año:





